Доводчик дверной Armadillo LY5 120 кг

Дверной доводчик Armadillo (Армадилло) LY5 120 кг (Китай)

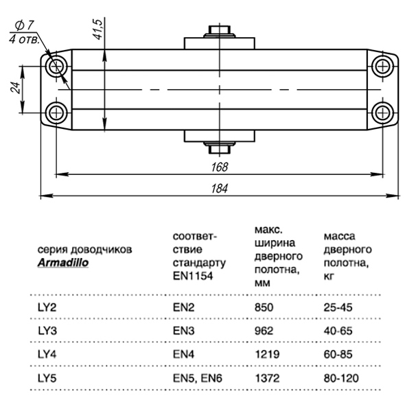
  • Применяется для дверей от 80 до 120 кг
  • Максимальная ширина двери до 1370 мм
  • Материал корпуса - Алюминий
  • Посадочные размеры 168*24 мм
  • Тип тяги: С рычажной тягой
  • Регулируемое усилие: Да
  • Ресурс работы более 500 000 циклов
  • Температурный режим работы от -40 до +45 °С.
  • Тип тяги: с рычажной тягой
  • Фиксация в открытом положении: Нет
  • Функция дохлопа: Есть
  • Цвета: серебро, белый, коричневы
  • Способ установки: на дверь, на коробку, параллельно с монтажной пластиной
  • Гарантия 1 год

 

Цена: 3500 руб.

Морозостойкий доводчик LY5 предназначен для установки на стандартные полотна весом от 80 до 120 кг и шириной до 1 372 мм. Подходит для дверей с левым и правым открыванием. Температурный режим работы: от -40 до 45 °C. Комплектация: дверной доводчик, рычаг, декоративная заглушка, крепеж, инструкция, шаблон монтажа.

Доводчик дверной Armadillo LY5 120 кг

//